【型号推荐:TH-WS485,气象环境监测仪器设备生产厂家,云境天合支持商家定制服务,设备选择山东云境天合您放心】此类传感器专注于土壤物理性质监测,多采用埋入式安装进行连续观测。水分测量主流技术为频域反射法(FDR),通过检测电磁波频率偏移量换算含水量,比时域反射(TDR)成本更低且更易维护。温度传感元件多选用数字式DS18B20芯片,直接输出数字化信号抗干扰性强。防护等级通常达IP68标准,可长期埋设于地下工作。信号传输方式包括有线(RS485接口)与无线(LoRa技术)两类,后者最远传输距离可达3公里。安装时需注意传感器与土壤紧密接触,建议采用专用钻孔工具形成标准直径孔洞后回填细土压实。数据分析时可结合气象数据,建立土壤温湿度与蒸散量的相关模型。

一、技术指标
1.供电:DC12V
2.功耗:小于0.1W
3.工作温度:-30~70℃
4.通信接口:RS485
5.工作电流:8mA DC12V
6.最短数据间隔:60S
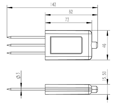
二、产品尺寸图

三、使用注意事项
1.传感器安装应严格按照安装使用说明书进行。
2.多个传感器同时工作时,必须间隔5米以上距离。
3.传感器测量原理限制,传感器测量地为中心半径5米范围内不应有电磁线缆和强磁辐射干扰,
避免造成传感器测量的巨大误差和损坏。
4.传感器的安装环境应该符合传感器的测量范围,避免超量程等不规范行为。
5.传感器安装应避开强酸强碱、重油污重金属环境进行。
6.传感器为土壤测量传感器,禁止将本传感器对其他行为。
7.传感器安装环境不能有强振动。
8.传感器不能有过强外力作用。
9.禁止拆卸,私自拆卸将不提供任何服务。
10.传感器探针较为锋利,使用时应按规定注意佩戴护具。
11.设备使用和维护应严格按照上述注意事项进行,如有违规使用的行为,本司不承担相关负责。
四、传感器参数
| 参数 | 测量范围 | 精度 | 分辨率 | 单位 |
| 土壤温度 | -30~70℃ | ±0.3(-10~50℃) | 0.01 | ℃ |
| 土壤含水率 | 0~100% | ±3%(壤土)高有机质土壤(土壤有机碳含量>12%)高粘粒含量土壤(粘粒含量>45%)由于其介电弛豫特性,可能需要针对特定土壤类型进行标定 | 0.01% | --- |