【型号推荐:TH-WFB5,气象环境监测仪器设备生产厂家,云境天合支持商家定制服务,设备选择山东云境天合您放心】防爆风速仪设备特点—具备防腐、防水、防震、防尘等性能适应恶劣环境条件高精度传感技术采用先进的传感技术和信号处理算法,确保监测数据的准确性和可靠性。例如,风速风向传感器可能采用超声波技术,避免传统机械式传感器的启动延时误差。外壳通常采用高强度材料制造,防护等级达到IP66或更高,确保在沙尘、潮湿、震动等环境下稳定运行。低功耗与长续航配备智能电源管理系统,支持太阳能供电或储能电源,满足长时间户外运行需求。部分便携式设备可连续工作8小时以上。易安装与灵活配置具备安装灵活性,可以根据用户的需要安装在墙壁、顶棚或地面等位置。同时,支持多种传感器信号输入,方便用户根据实际需求进行配置。在油气库、炼油厂等场所,防爆气象传感器可以监测风速、风向等参数,预测雷电引发的可燃气体扩散方向,为应急疏散提供依据。

一、产品简介
我司作为专业研发生产销售一体化防爆气象传感器的企业,一直致力于微型气象仪和气象环境解决方案推广应用。具有完整的生产链、实力雄厚的技术团队和全面的营销团队,我们研发生产的超声波防爆风速风向仪、防爆五要素微气象仪等气象产品,已广泛应用到化工厂、油库、隧道、矿井等领域,客户遍布全国各地,并取得了良好的社会效益和经济效益。
与传统的微型气象仪相比,我司产品克服了对高精度计时器的需求,避免了因传感器启动延时、解调电路延时、温度变化而造成的测量不准问题。
WFB5型防爆五要素微气象仪创新性地将风速、风向、温度、湿度、大气压力通过一个高集成度结构来实现,可实现户外气象参数24小时连续在线监测,通过数字量通讯接口将五项参数一次性输出给用户。
二、产品特点
1、顶盖隐藏式超声波探头,避免雨雪堆积的干扰,避免自然风遮挡☆
2、原理为发射连续变频超声波信号,通过测量相对相位来检测风速风向☆
3、风速、风向、温度、湿度、大气压力五要素一体式☆
4、采用先进的传感技术,实时测量,无启动风速☆
5、抗干扰能力强,具有看门狗电路,自动复位功能,保证系统稳定运行
6、高集成度,无移动部件,零磨损
7、免维护,无需现场校准
8、采用ASA工程塑料室外应用常年不变色
9、产品设计输出信号标配为RS485通讯接口(MODBUS协议);可选配232、USB、以太网接口,支持数据实时读取☆
10、可选配无线传输模块,最小传输间隔1分钟
11、探头为卡扣式设计,解决了运输、安装过程松动不准的问题☆
三、技术参数
1、风速:测量原理超声波,0~60m/s(±0.1m/s)分辨率0.01m/s;
2、风向:测量原理超声波,0~360°(±2°);分辨率:1°;
3、空气温度:测量原理二极管结电压法,-40-60℃(±0.3℃),分辨率0.01℃;
4、空气湿度:测量原理电容式,0-100%RH(±3%RH),分辨率:0.1%RH;
5、大气压力:测量原理压阻式,300-1100hpa(±0.25%),分辨率0.1hpa;
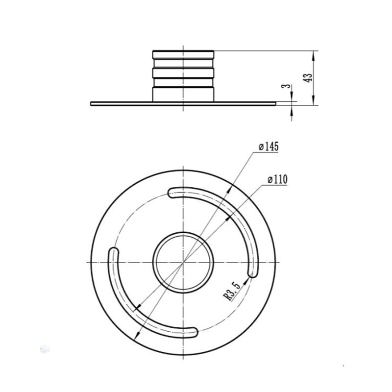
四、产品尺寸图

五、产品结构图

1、控制电路
2、指北箭头
3、超声波探头
4、百叶箱
5、温度、湿度、气压监测位置
6、底部固定法兰
※此产品可选配电子罗盘、GPRS(内置)/GPS(二选一)
六、产品接线定义

VCC:棕色,GND:黑色,485A:绿色,485B:蓝色
七、法兰盘固定方式
1、微气象仪
2、固定螺钉
3、通信电缆+航插
法兰盘尺寸